Digital
animations and java applets  |
| Applets
CMOS technology, Karnaugh Veitch diagram, ordered binary decision diagrams |
|
Digital demonstrations converters, flip flops, Boolean algebra, registers,
..., a tip |
|
From
logic gate to combinatorial arithmetic operators Adder in CMOS, Multipliers,
Dividers |
|
Hades interactive applet collection of the Hades simulation framework |
|
Interactive digital java applets and Simulation
adders, counters, relays, pics, converters, flip flops, Boolean algebra, basic SR flipflop, SR flipflop, clocked SR flipflop, D-latch,
D-flipflop, JK-flipflop, 7476 JK-flipflop,
LSSD latch, 74273 D-register, 74166 shift-register, C-gate, micropipeline,
traffic light, registers,
..., a tip |
|
Simulations DigSim
en Français, a tip |
Analog to Digital - Digital to Analog Converters: animations and java applets  |
|
Analog to Digital converter swf file |
|
Analog
to Digital converter Analog to Digital converter, swf
file |
|
Base-2 Binary |
|
Convertisseur
N/A |
|
Convertisseur
N/A |
|
Convertisseur A/N CAN Flash |
| Convertisseur
A/N à approximations la tension analogique à convertir est appliquée par l'intermédiaire d'un verrou,
Educypedia,
en Français |
| Convertisseur A/N simple rampe la tension à mesurer est comparée avec une rampe (linéaire
en fonction du temps), en Français |
| Convertisseur
N/A R-2R
en Français |
|
D/A converter D/A converter |
|
Digital
to analog converter Digital to analog converter |
|
PCM Converting Analog Signals to Digital Signals |
|
Pulse
amplitude modulation PAM, this type of modulation is used as the first step
in converting an analog signal to a discrete signal or in cases where it may be
difficult to change the frequency or phase of the carrier,
Educypedia |
|
Sigma-Delta Analog-to-Digital Converters An interactive illustration showing
the behavior of an idealized sigma-delta A/D converter |
|
Sigma Delta Conversion
Demonstrates how Sigma-Delta-Converters work |
Digital
animations and java applets: topics  |
|
2-Bit
binary decoder |
|
4-Bit Ripple Counter |
|
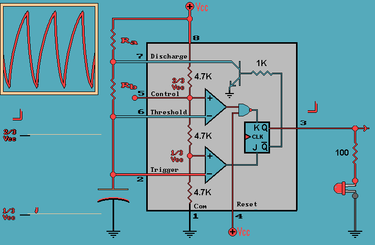
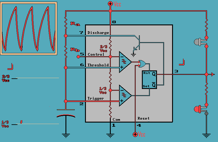
555
circuit |
|
555
circuit 555 timer, A-stable multivibrator |
|
555
circuit animated, how does it work, applications with the 555 |
|
555
circuit |
|
555 circuit astable 555 circuit, running lights, 4017 |
|
555 Missing Pulse
Detector This circuit uses a 555 timer chip to detect a missing pulse. The
input is a square wave |
|
555 Monostable
Multivibrator |
|
555 Pulse Width
Modulator |
|
555 Sawtooth Oscillator |
|
555 Schmitt Trigger
(inverting) |
|
555 Square Wave
Generator 555 Square Wave Generator |
|
5x5x5 ledkubus |
|
5x5x5 LED kubus |
|
5x5x5 LED kubus |
|
7-Segment LED
Decoder |
|
8-Bit Ripple Counter |
|
ASCII text decoder/encoder
this application only encodes and decodes ASCII text |
| Additionneur binaire
en Français |
|
Analog
Switch & Transmission Gate |
|
Arithmetc operators adders, multipliers, ... |
| Bascules J-K
en Français |
| Bascules R-S et D
en Français |
|
BCD to 7
segment decoder BCD to 7 segment decoder |
| BCD to 7
segment decoder |
|
BCD to 7
segment decoder |
| BCD up
counter |
|
Boolean Set Algebra |
| Bubble,
bi-directional bubble and quick sort |
|
Binary Huffman Coding demonstration Binary Huffman Coding demonstration |
|
Carry-select adder (8 bit) |
|
Channel capacity channel capacity calculation, Nyquist's channel capacity,
Shannon's channel capacity,
Hamming code part of
Networking
exercises Introduction to Telematics Systems |
| Circuit builder
online logic circuit test |
|
CMOS
Inverter |
|
Codage des signaux
binaires swf file,
en Français |
|
Column decoder simulation |
|
Combinational logic circuits and Flipflops |
|
Combinational logic circuits and tables |
|
Combinational logic virtual lab set the input levels and probe the logic IC
to determine the output levels. There are 16 circuits and endless possibilities |
| Compact
disc this tutorial explores how a laser beam is focused onto the surface of a spinning compact disc, and how variations between pits and lands on the
disc surface affect how light is either scattered by the disc surface or reflected back into a detector,
Educypedia |
|
CRC calculation CRC calculation, CRC calculator, CRC parameters, CRC order,
CRC polynom |
|
CRC code
Generator of synthesizable CRC functions, g(x)=1+x^5+x^12+x^16 |
|
Dansende led kubus |
|
Digital circuit
simulator java applet |
| Digital circuit
simulator free software download |
| Digitale
transmissie simulator in Dutch |
| Diode AND-OR gate
digital logic with diodes |
|
DRAM Addressing |
|
DRAM
The animation shows how a single DRAM Storage Cell works |
|
DRAM Cell |
|
Decimal Counter |
|
Dynamic RAM |
|
Fast
Division To avoid the delay of the carry propagation, the following applet
uses a stack of borrow-save "BS" adders/subtractors |
|
Flip-Flop simulator interactive Flip-Flop simulation |
|
FlipFlops |
|
FlipFlops basic SR flipflop, SR flipflop, clocked SR flipflop, D-latch,
D-flipflop, JK-flipflop, 7476 JK-flipflop,
LSSD latch, 74273 D-register, 74166 shift-register, c-gate, micropipeline,
traffic light, Educypedia |
|
Full-adder The full-adder circuit adds three one-bit binary numbers (C A B)
and outputs two one-bit binary numbers, a sum (S) and a carry (C1). The
full-adder is usually a component in a cascade of adders, ... |
|
Gray code
Optical encoder wheel generator |
|
Gray Code Counter |
|
Gray code generator
Gray Code Counter Generator |
|
Half adder The half adder is an example of a simple, functional digital
circuit built from two logic gates. The half adder adds to one-bit binary
numbers (AB). The output is the sum of the two bits (S) and the carry (C), ... |
|
Hamming code tool Hamming code tool |
|
Interactive shift-register demos |
|
Karnaugh maps Karnaugh maps simulation |
|
Karnaugh maps and PLA implementation demonstrates KV diagrams and logic
minimization |
|
Logic calculator computes the truth value of a logic expression comprising
up to four variables |
|
Logic gates
common logic gates found in simple digital circuits |
|
Logic gates |
|
Logicly
Logicly simulates the boolean algebra performed by logic gates, which are a
vital part of digital circuitry and computer achitecture |
| Memory
cache simulation demonstrates cache associativity |
| MOS
memory
simulation of MOS memory operation |
|
NotGate |
|
Omega switching network simulation of an omega network |
|
Probe
Internet Logic Circuit Simulation via a Java applet |
|
Propeller LED klok |
|
Propeller LED klok |
|
Quine McCluskey Quine McCluskey Minimization |
|
Ring Oscillator
Ring Oscillator simulator, formed by connecting an odd number of inverters in a
loop |
|
Robot |
|
Robot |
|
ROM memory ROM memory simulation |
|
Row decoder simulation
The Row Decoder of proivded in this applet is one of the decoders in the memory
architecture. It's function is to provide the word line address when a word
address is given by the address generator |
|
RS 232 |
|
SR Flip Flop |
|
SR Flip Flop An SR Flip Flop is an arrangements of logic gates that
maintains a stable output even after the inputs are turned off |
|
Switch Logic Applets |
|
Synchronous Counter |
|
Traffic Light |
|
Treinbesturing
digitale treinbesturing |
|
Truth table
constructor a powerful tool that draws truth tables for statements in
propositional logic. It works with up to six variables, supports six
connectives, and produces either T/F or 0/1 output |
|
|
Home
|
Site Map
|
Email: support[at]karadimov.info
Last updated on:
2011-01-02
|
Copyright © 2011-2021 Educypedia.
https://educypedia.org
|
| |