Educypediathe educational encyclopedia
Electronics-theory
Analog
Audio - acoustics
Audio - electronics
Audio - loudspeakers
Components-active
Components-passive
Component - sensors
Digital - electronics
Digital - I2C - I2S
Digital - Programming
Electricity High Voltage
Electricity - machines
Electricity - theory
General overview
Miscellaneous
Optics
Power control systems
Power electronics
RF - antennas
RF - antenna - WLAN
RF - communication
RF - radio - tuning
Telephony
Tubes
TV-video-DVD
 
Utilities - tools
Animations & applets
Application notes
Cabling
Calculators
Circuits
Databank - tables
Datasheets
Measurement
Repair
Software - electronics
 
Local sitemap
Sitemap

  
 





Computer related circuits  related subjects: PIC's, Basic stamp, RS232-485
Analog-to-digital- and digital-to-analog converter for USB
Audio-video switch an 8-input x-output audio/video switch module to be controlled from a computer, for example from the parallel port
Bus I2C en Français
Centronics port D/A converters and low-pass filter 7524, R/2R
Controlling LEDs (Light Emiting Diodes) with Parallel Port
CPU Clock Indicator
DB-9 connector to DB-25 (both RS-232) part of Useful tools for RS-232 interfacing
DMX 512 printerport interface page This page contains schematics and software to build your own cheap 64 channel DMX 512 printerport interface. It also contains the schematics for a 4-way DMX booster / splitter and a 12 channel DMX flasher. These designs are based on Microchip Pic 16F84 microcontrollers and very easy to build, schematics
DS1620 Programming Tool
DS1621 PC thermometer This incredibly simple thermometer plugs on any free serial port. Does not make use of any programmable components as microcontrollers. It gives temperature readings accurate to 0.5°C with no calibration
DS1621 to a Basic Stamp Interfacing the BASIC STAMP 2 with the DS1621 Thermometer circuit
DS1621 to a PIC16F84 Interfacing a DS1621 Digital Thermometer with a PIC16C84 circuit
EIB/RS232 en Français
Fan speed temperature regulator
Fan speed temperature regulator Temperature Controlled FANregulators
How to get power from PC to your circuits
How to use your RS232 or IRDA port for Remote Control
Infrared remote control of your PC the hardware and software required to remotely control your PC by means of any standard hand held remote control unit
Interfacing Digital-to-Analog converters pdf file
Interfacing relays and transistors pdf file
Isolated full duplex RS232C interface this self powered interface circuit electrically isolates the TxD and RxD lines from the PC serial port and protect the PC from direct connection to hazardous voltages
Isolated full duplex RS232C interface this self powered interface circuit electrically isolates the TxD and RxD lines from the PC serial port and protect the PC from direct connection to hazardous voltages
Lightning flash counter contains instructions to build a lightning flash counter and how to interface it to your PC
Logic analyzer using the PC's parallel port record up to 8 channels, use any parallel port, sampling at up to 1 million samples per second, record 32768 samples
LPTCAP parallel port print capture system LPTCAP is a hardware and software solution which allows an IBM-compatible PC running MS-DOS to capture print data sent by another PC, or any device with a Centronics parallel printer interface
Multi Wire Cable Tester A multi wire cable tester with a separate LED for each wire. Will show open circuits, short circuits, reversals, earth faults, continuity and all with four IC's
Null printer adapter simple adapter for PC parallel port to think that there is a printer connected to computer
Parallel PC Interface
Parallel port relay interface
Parallel port servo controller
PC-based DC motor speed control PC generated Pulse Width Modulation (PWM) for DC motor speed control circuit
PC IR remote control GP1U52X, NE555
PC ISA bus Analog-to-Digital, Digital-to-Analog card
PC printer port relay board 8 relays
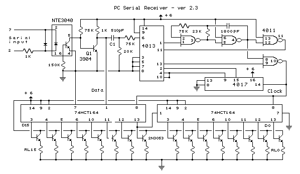
PC serial port receiver designed to control a 32 channel Christmas light show from the PC serial port circuit
PC thermometer Measures one or two (indoor and outdoor) temperatures
Power for your circuits from RS-232 signal lines This text tries to clear out the mystery of how to get power out of PC serial power
Remote control of computer IR remote control of computer
Remote control for Windows IR control for Windows, the hardware and software required to remotely control your PC by means of any standard hand held remote control unit
RS 232 laser transceiver this circuit allows any two computers with serial (RS-232) communication capability to communicate over 200 meters using a laser beam
RS232 to IrDA converter
RS232C level converter MAX232, A standard serial interfacing for PC, RS232C, requires negative logic
RS232 - RS485 - USB interface circuits
RS232 to RS485 Converter RS232 connector compatible with PC, TxD and RxD translated from RS232 to RS485, RS485 signals output on 6 way modular jack, Indicator LED(s) to show communications traffic
Serial Infrared remote controller This is a simple, cheap device that can be connected to any serial port to control most components that have infrared remote controls
Serial Port A/D-converter This circuit is a simple 8-bit analogue to digital converter circuit which is connects to PC serial port. The circuit is based on TLC548 A/D-converter chip
Serial Port A/D-converter This application note provides an example of interfacing an A/D converter to a PC using a standard serial port. The CS lines and SCLK lines are emulated by the RTS and DTR lines respectively. Conversion data appears on the data-set-ready (DSR) line. Example C code is given to demostrate the application circuit, PC Serial Port Drives 12-Bit A/D Converter, pdf file
Serial port controlled IR transmitter This is a programmable infrared (remote control) transmitter, which can be controlled from a PC serial port. It is capable of sending many remote control formats, including the Philips RC-5 standard
Serial to parallel converter AT89C2051, The converter runs at 9600 baud, and outputs each byte received on a centronics style parallel port, together with a nominal 50 microsecond strobe. The converter buffers up the bytes received if busy is active, and is bidirectional
Simple circuit and program to show how to use PC parallel port output capabilities
TTL to/from rs232 signal conversion
Universeller AD-Wandler auf Basis des TLC 549
USB designer links
USB interface for parallel LCDs
USB to RS232 converter The USB to RS232 converter using the FT8U232AM and a Maxim-IC MAX235
USB to RS232 Dongle FT232AM, This chip converts USB to a standard high-speed serial port. The bonus with FTDI is the drivers are already written for you. All you have to do is design the hardware and download the serial USB drivers from FTDI's web site
USB2LCD II project USB2LCD II project, USB interface LCD project
Visual Basic (DLL's) and PC interfacing this tutorial shows you step-by-step how to write your own dynamically linked library (DLL) that you can use in your VB programs
WEB thermometer This little simple thermometer can be used to monitor and log the temperature anywhere in a radius of 20 meters from your computer
WEB thermometer measure your own temperature and display it with a WEB browser, WebThermometer + NetThermometer are a couple of utilities to measure the temperature remotely on the browser via HTTP or TCP/IP

Home | Site Map | Email: support[at]karadimov.info

Last updated on: 2011-01-15 | Copyright © 2011-2021 Educypedia.

https://educypedia.org

 

 

 

 
Powered by ITCom Solutions