Educypediathe educational encyclopedia
Electronics-theory
Analog
Audio - acoustics
Audio - electronics
Audio - loudspeakers
Components-active
Components-passive
Component - sensors
Digital - electronics
Digital - I2C - I2S
Digital - Programming
Electricity High Voltage
Electricity - machines
Electricity - theory
General overview
Miscellaneous
Optics
Power control systems
Power electronics
RF - antennas
RF - antenna - WLAN
RF - communication
RF - radio - tuning
Telephony
Tubes
TV-video-DVD
 
Utilities - tools
Animations & applets
Application notes
Cabling
Calculators
Circuits
Databank - tables
Datasheets
Measurement
Repair
Software - electronics
 
Local sitemap
Sitemap

  
 





Switching power supply circuits  related topic: PC Power Supply Unit, PSU, SMPS - switching mode power supply theory
12V switching supply SG3525, Switchmode Preamp Supply For Cars, switch-mode regulator
12V switching power supply The design uses a flyback converter topology, with an IRIS4009 as the main switch and control device, pdf file
180 W PC Main SFX Supply pdf file
200W ATX PC piower supply PCs power supply of DTK company. This power supply has ATX design and 200W performance, TL494, Switching regulator, Switching Mode Power Supply Circuit SMPS
20W, 5V at 4A, step-down regulator LM2577, A 20W, 5V at 4A, step-down regulator can be developed using the LM2577 Simple Switcher IC in a forward converter topology. This design allows the LM2577 IC to be used in step-down voltage applications at output power levels
greater than the 1 A LM2575 and 3 A LM2576 buck regulators. In addition, the forward converter can easily provide galvanic isolation between input and output, pdf file
230 WATT SWITCH MODE POWER SUPPLY
250 W SMPS with power-FETs 250 W S.M.P.S. with Power FETs
250W HIGH POWER FACTOR SUPPLY FOR TV pdf file
+30V DC-DC converter compact DC-DC converter, CD1846P
+30V power supply with +5V 1mA
5-to-1.8V converter works without magnetics
8W, 12V Fluorescent Lamp 8W, 12V Fluorescent Lamp supply, pdf file
90W Flyback power supply unit PSU, Power Supply Unit circuit, Switching Mode Power Supply Circuit SMPS
Adjustable Flyback Converter Adjustable Flyback Converter circuit
Alimentations à découpage en Français
Basic Switching-Regulator-Layout Techniques
Boost Voltage Converter Buck/Boost Voltage Converter, LTC 3440, pdf file
Buck-based LED Drivers Constant current switch mode power supply. This Application Note discusses the design of a buck-based
LED driver using the HV9910B, pdf file
Current control circuit flyback converter, pdf file
DC/AC inverter the circuit which outputs 100 V of the alternating current from the input of 12 V of the direct current, Switching regulators
DC-DC converters DC-DC converters
DC-DC Converter Tutorial Switching power supplies offer higher efficiency than traditional linear power supplies. They can step-up, step-down, and invert. Some designs can isolate output voltage from the input. This article outlines the different types of switching regulators used in DC-DC conversion
DC-DC step-up converter DC/DC Converter Adjustable and Fixed 5V, 12V, Operates at Supply Voltages from 1V to 30V, pdf file
DC-DC step-up converter LM2622 - 600kHz/1.3MHz Step-up PWM DC/DC Converter
DC-DC converter to step up input voltage
Emergency Lighting Fluorescent Lamp Emergency Lighting Fluorescent Lamp power supply, pdf file
Flash Gun Inverter using Super E-Line Bipolar Transistors Flash Gun Inverter using Super E-Line Bipolar Transistors, pdf file
Flyback driver schematics Super flyback driver schematics
Generating -5 volts from a 9 volt battery 555
High Voltage Generation for Xenon Tube Applications High Voltage Generation for Xenon Tube Applications, pdf file
How to Convert a Computer ATX Power Supply to a Lab Power Supply
LCD TV Power Supply
LM265 switching regulator switching regulator power supply with the LM265, pdf file
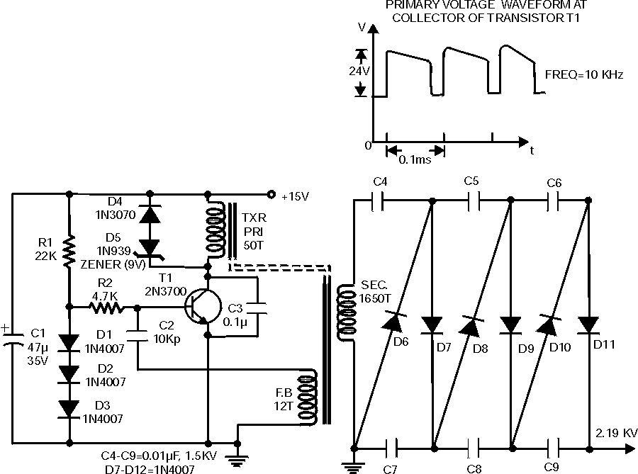
Low Current High Voltage Power Supply In this configuration, the primary winding and the feedback winding are arranged such that a sustaining oscillation is ensured once the supply is switched on
MOSFET Flyback Power Supply MOSFET Flyback Power Supply, pdf file
Off-line Flyback Converter Using FPS This paper presents practical design guidelines for off-line flyback converters employing FPS (Fairchild Power Switch), pdf file
Self Oscillating 25W CFL Lamp Circuit pdf file
Short circuit protected power supply from PC 12V supply voltage This circuit provides a short circuit protected power supply from PC 12V supply voltage. This is particularly handy when working with PC interfacing projects, schematics
Snubber Circuits Suppress Voltage Transient Spikes in Multiple Output DC-DC Flyback Converter Power Supplies
Stabilised power unit switching regulator circuit, maximum of 4 A
Step-Down Voltage Regulator LM2575, 1A Step-Down Voltage Regulator
Step-up converter (MC34063A)
Step-Up Voltage Regulator LM2577 , Step-Up Voltage Regulator
Switching Regulator Circuit Collection Switching Regulator Circuit Collection, pdf file
Switchmode Constant Current Source LM2575
Switch mode power supply for SVGA monitor Switch mode power supply circuit for SVGA monitor, Gif file
Switching power supply circuits
Switching power supply circuits regulators, battery chargers, ..., pdf file
Switching Power Supply Regulator with LM2596 3.3V, 5V, 12V, and adjustable output versions, 3A
The Use of QFETs in a Flyback Converter pdf file

Home | Site Map | Email: support[at]karadimov.info

Last updated on: 2011-01-15 | Copyright © 2011-2021 Educypedia.

https://educypedia.org

 

 

 

 

 
Powered by ITCom Solutions