Educypediathe educational encyclopedia
Electronics-theory
Analog
Audio - acoustics
Audio - electronics
Audio - loudspeakers
Components-active
Components-passive
Component - sensors
Digital - electronics
Digital - I2C - I2S
Digital - Programming
Electricity High Voltage
Electricity - machines
Electricity - theory
General overview
Miscellaneous
Optics
Power control systems
Power electronics
RF - antennas
RF - antenna - WLAN
RF - communication
RF - radio - tuning
Telephony
Tubes
TV-video-DVD
 
Utilities - tools
Animations & applets
Application notes
Cabling
Calculators
Circuits
Databank - tables
Datasheets
Measurement
Repair
Software - electronics
 
Local sitemap
Sitemap

  
 





Telephone circuits  related topic: Telephony
2 line phone status indicator pdf file
9-line telephone sharer This circuit is able to handle nine independent telephones (using a single telephone line pair) located at nine different locations, pdf file
Bidirectional telephone line simulator without using telephone lines, couple, test and demonstrate all types of telephone equipment such as: answering machine, modem, fax, call recorder, call diverter, extension ringer, telephone ring booster, security autodialler etc. Couple modem equipped PCs for gaming or testing of communications software
Build your own inductive telephone tap an inductive telephone tap that will allow us to listen to telephone conversations nearly undetectably
Cordless phone frequencies cordless phones are still analogue and use the frequency from 30-50MHz. The signal is FM-modulated and can easy be picked up with any FM-receiver
Cut Phone Line Detector schematic of a circuit to detect cut phone lines
DTMF Coding and Decoding Module Two chips are adopted for DTMF coding and decoding respectively
DTMF decoder circuit
DTMF Phone Dialer
DTMF Generation with a 3.58 MHz Crystal DTMF generation consists of selecting and combining two audio tone frequencies associated with the rows (low band frequency) and columns (high band frequency) of a pushbutton touch tone telephone keypad, pdf file
DTMF generator/decoder Dual-tone-multi-frequency (DTMF, also known as touch-tone) are the audible sounds you hear when you press keys on your phone
DTMF Generator The MV5089 is fabricated using ISO-CMOS high density technology and offers low power and wide voltage operation. An inexpensive 3.58MHz TV crystal completes the reference oscillator. From this frequency are derived 8 different sinusoidal frequencies which, when appropriately mixed, provide Dual-Tone Multi-Frequency (DTMF) tones, pdf file
DTMF Remote Control DTMF Remote control – A software DTMF decoder for PIC 16F87X
DTMF tone decoder with LCD display this project displays telephone numbers decoded from tones. A microphone picks up the tones, a preamplifier boosts the signals, an SSI-202 DTMF chip decodes the tones, a Basic Stamp acts as an interface to an LCD display and also provides "RS-232" serial output
DTMF - Decoding with a 1-bit A/D converter The purpose of DTMF decoding is to detect sinusoidal signals in the presence of noise
DTMF generator/decoder
DTMF microphone monitor telephone numbers (control signals) off the air by using your PC game port to input the signals
Caller ID display service en Français
Démodulateur DTMF CD22202, en Français
Encodeur DTMF MK5380, en Français
FM Telephone Bug a simple transmitter that when connected to a phone line, will transmit anything on that line (execpt the dial tone) to any FM radio. The frequency can be tuned from 88 to about 94Mhz and the range is about 200 feet
Generating DTMF tones using computer soundcard DTMF Tone Generator Applet
Phone amplifier telephone amplifier circuit
Phone in use indicator
PLL tone decoder IC The BA1604 and BA1604F are tone decoder ICs that enable the frequency to be selected in precise detail, using a PLL system. These ICs are configured of a PLL circuit, a detection circuit, a voltage comparator circuit and an output logic drive circuit, pdf file
Radio Remote Control using DTMF using UM91214/UM91216 datasheet and KT3170 datasheet. The KT3170 is a complete Dual Tone Multiple Frequency (DTMF) receiver that is fabricated by low power CMOS and the Switched-Capacitor Filter technology.
Remote Telephone Ringer This remote telephone bell ringer allows you to use a large (and loud) external bell in place or in addition to the built in (and rather wussy) ringer in most modern telephones
Smart ringing phone light to switch on a lamp when the tele- phone rings
Telephone Activated Switch
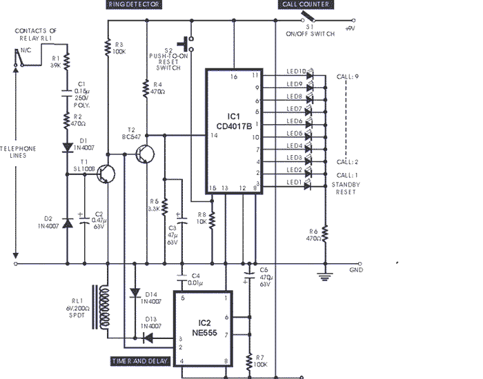
Telephone Call Counter The circuit presented here is a very useful add-on device to be connected to the telephone lines to count and display the number of incoming calls received in the absence of the subscriber
Telephone Circuits
Telephone conversation recorder enables automatic switching-on of the tape recorder when the handset is lifted
Telephone in use indicator
Telephone in use indicator
Telephone Line In Use Indicator This document presents a design for an electronic circuit which connects to a telephone line and provides a visual indication of whether or not the line is in use, so that two or more people sharing a line can avoid interrupting each other's voice or modem calls
Telephone line audio interface circuits How telephone works, Network Interface in telephone, Telecom hybrid circuits for other equipments than telephones, Audio interfaces to telephone lines, Telephone audio interfaces from Usenet news, Audio interfaces without transformer isolation, Simple telecom hybrid circuits, More details implementing telephone line interface, Problems in linking telephone hybrid to audio system, Helpful tips for telephone hybrid circuit designers, Connecting hybrids and telephone equipments, Components for telephone line interfacing, Telephone line technical details, Telephone line details in different countries, Interference in the telephone line signal
Telephone line simulator construction project telephone line simulator with dialtone, busy tone & ring signal
Telephone line status indicator pdf file
Telephone Number Display The given circuit, when connected in parallel to a telephone, displays the number dialled from the telephone set using the DTMF mode. This circuit can also show the number dialled from the phone of the called party, pdf file
Telephone Ring Generator Using Switching Supply

Home | Site Map | Email: support[at]karadimov.info

Last updated on: 2011-01-18 | Copyright © 2011-2021 Educypedia.

https://educypedia.org

 

 

 

 
Powered by ITCom Solutions