Oscillator
circuits  |
|
1KHz sinewave generator
simple circuitry, low distortion, battery operated. Variable, low impedance output up to 1V RMS,
2 transistors |
|
32.768
kHz Oscillator Circuits pdf file |
|
8
Note Tune Player This neat little circuit can play 8 note tunes at any speed
you want. You select the notes with 8 trim pots. The speed in selected through a
ninth pot |
|
Astable multivibrator |
|
Astable multivibrator
astable flip-flop circuits |
|
Astable Multivibrator
Projects |
|
Audio
test oscillator audio test oscillator circuit, This generally results in a
square wave if the frequency of oscillation is low enough relative to the
amplifier's bandwidth |
|
Crystal Controlled
Oscillator schematic of a low frequency sine wave oscillator featuring low
distortion, wideband operation and crystal control.The circuit, originally
developed for laboratory use, employs low cost AF bipolar transistors for the
oscillator and amplifier sections and a JFET for loop-gain control. Operation of
the oscillator in the 10 kHz to 500 kHz frequency range has been found to be
excellent, while measured distortion is kept under 0.1 percent |
|
Crystal Oscillator Circuits |
|
DTMF Generation with a 3.58 MHz Crystal DTMF generation consists of
selecting and combining two audio tone frequencies associated with the rows (low
band frequency) and columns (high band frequency) of a pushbutton touch tone
telephone keypad, pdf file |
| DTMF generator/decoder
Dual-tone-multi-frequency (DTMF, also known as touch-tone) are the audible sounds you hear when you press keys on your phone |
|
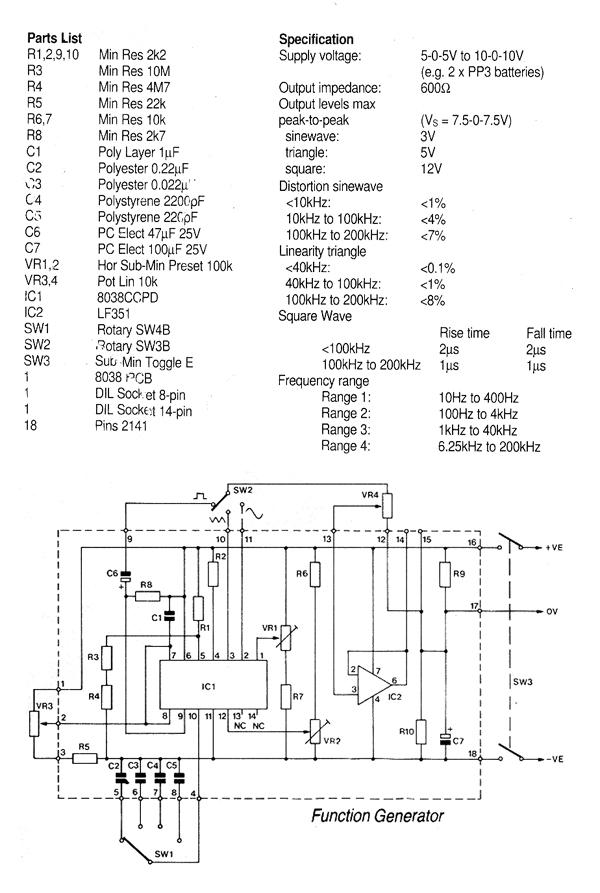
Function
Generator A function generator using the ICL8038 integrated circuit. Is has
four ranges and capable of sine, square and triangle outputs,
ICL8038
The ICL8038 waveform generator is a monolithic integrated circuit capable of
producing high accuracy sine, square, triangular, sawtooth and pulse waveforms
with a minimum of external components. |
|
Low
Frequency Oscillator A low frequency test oscillator for testing tone
controls and experimenting |
|
Microphone circuit test oscillator 440 Hz |
|
Music &
special effects Electronic Canary, Metronome Circuit, Sound Effects
Generator, Sound Effects Generator, Electronic Siren |
|
Precision Clock
Generator |
|
Sawtooth to Triangle converter |
|
Sawtooth wave oscillator
the sawtooth wave oscillator which used the operational amplifier (TL082) |
|
Signal
Injector and Tracer A simple test circuit to fault find audio and radio
equipment. Can be used to inject a square wave signal, rich in harmonics, or
used with headphones as an audio tracer, schematics |
|
Simple Audio Oscillator
for testing amps and speakers |
|
Simple Sine,
Triangle and Square Wave Generator Intersil's ICL8038, VCO (voltage
controlled oscillator) chip, Frequency range <1Hz to >100kHz, High output power
(>1A) for the sine output (e.g. to drive inductivities) with some protection
against destruction, CMOS-compatible complementary square wave output for
digital circuit clocking (can drive into 50 Ohm) |
|
Sine Wave Generator
Sine Wave Generator, A classic Wien Bridge oscillator using an Op-Amp covering a
frequency range of 15 to 150kHz in four switched steps |
|
Single-Supply Wien Bridge Oscillator |
|
Single
transistor pump This is a simple circuit that can produce a staircase
voltage output given a periodic pulse input |
| SQUARE WAVE
OSCILLATOR |
| Square wave
oscillator square wave
oscillator circuit |
|
Square wave oscillator |
|
Triangle to
sine converter Triangle to sine converter |
|
Variable Frequency Audio
Oscillator Variable Frequency Audio Oscillator circuit |
|
Voltage Controlled Low Frequency Oscillator with Sync Voltage Controlled Low
Frequency Oscillator with Sync |
|
Voltage
controlled
oscillator VCO, Voltage controlled oscillator circuit,
pdf file |
|
Waveform Generator with ICL 8038 CCPD Waveform Generator with ICL 8038 CCPD,
function generator, ICL8038
The ICL8038 waveform generator is a monolithic integrated circuit capable of
producing high accuracy sine, square, triangular, sawtooth and pulse waveforms
with a minimum of external components |
|
Wien-Bridge Oscillator
15Hz - 150kHz |
|
|
Home
|
Site Map
|
Email: support[at]karadimov.info
Last updated on:
2011-01-15
|
Copyright © 2011-2021 Educypedia.
https://educypedia.org
|
| |