Educypediathe educational encyclopedia
Electronics-theory
Analog
Audio - acoustics
Audio - electronics
Audio - loudspeakers
Components-active
Components-passive
Component - sensors
Digital - electronics
Digital - I2C - I2S
Digital - Programming
Electricity High Voltage
Electricity - machines
Electricity - theory
General overview
Miscellaneous
Optics
Power control systems
Power electronics
RF - antennas
RF - antenna - WLAN
RF - communication
RF - radio - tuning
Telephony
Tubes
TV-video-DVD
 
Utilities - tools
Animations & applets
Application notes
Cabling
Calculators
Circuits
Databank - tables
Datasheets
Measurement
Repair
Software - electronics
 
Local sitemap
Sitemap

  
 





Sensor circuits: temperature sensing circuits  related subject: Temperature sensors
Automatic Heat Detector Automatic Heat Detector, UM3561, pdf file
Car water temperature Car water temperature temperature measurement circuit. This circuit will display the water temperature to 1 degree resolution
Circuit Monitors Board, Air, and CPU Temperature to Protect System from Overheating MAX6656, pdf file
Constant Current Source and Temperature Sensor LM134
Digital Thermometer Digital Thermometer with ICL7107 for CPU
DS1621 to a Basic Stamp Interfacing the BASIC STAMP 2 with the DS1621 Thermometer circuit
DS1621 to a PIC16F84 Interfacing a DS1621 Digital Thermometer with a PIC16C84
Enhanced temperature controller is both fast and precise today's industrial applications demand both speed and precision in temperature control. An improved temperature controller meets those demands by adding features you don't find in traditional PID controllers
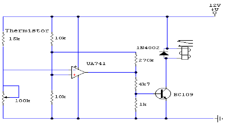
Frost alarm thermistor, A simple thermistor triggered switch with adjustable threshold. It triggers with cold temperatures so may be used as a frost alarm or cold temperature switch
Frost Alarm Frost Alarm witdh thermistor
Heat-Sensitive Switch LM35, a linear temperature sensor and linear temperature-to-voltage converter circuit, pdf file
Hot water indicator hot water indicator circuit
Motion detector PIR sensor, pdf file
Motion detector circuit IR filter Fresnell lens, RE200B, PIR circuit
Opamp thermostat Opamp thermostat circuit
NTC Thermistors temperature sensors in applications requiring temperature measurement and compensation from -50° to 150°C
NTC Thermistors
NTC thermistors- Application notes Applications utilizing the influence of ambient temperature on resistance, pdf file
PIR motion detector PIR motion detector, pdf file
PIR motion detector PIR motion detector, pdf file
PIR movement detector pdf file, KC778B master PIR control chip (MPCC) specification
Pyroelectric infrared (PIR) motion detector pyroelectric infrared (PIR) motion detector, A pyroelectric sensor is made of ceramic material that generates a surface charge when exposed to infrared radiation. As the amount of radiation changes, so does the charge, pdf file
Pyroelectric infrared (PIR) motion sensor pdf file
Pyroelectric infrared (PIR) motion sensor pdf file, PIR325
Pt100 measurement circuit (scroll down), pdf file
RTD sensor Pt100 circuit
Temperature compensation with NTC pdf file
Temperature controlled Fan the purpose is to vary the speed of a fan related to temperature with a minimum parts counting and avoiding the use of special-purpose ICs, often difficult to obtain
Temperature Controlled Soldering Iron
Temperature Measurement Temperature Measurement using a Thermistor and the AD7711 Sigma Delta ADC, pdf file
Temperature Measurement System pdf file
Thermometers for Brewers Sensing Temperature Electonically, Ready-Made Sensors, Homebrewed Thermometers, Display Options, Building a Probe, Diode Demo Circuit, Direct Reading Thermometer, Digital Panel Meters, ICL7106, Theory of Operation of Thermometer Circuit
Temperature monitor Using a thermistor in the position shown makes a heat activated sensor. A change in temperature will alter the output of the opamp and energize the relay and light the LED, Educypedia
Temperature sensing circuits
Temperature Sensing with a Programmable Gain Amplifier
Temperature sensor temperature sensing circuit
Temperature sensor temperature sensing circuit
Temperatursensor mit integriertem AD-Wandler lm75, I²C-Bus Protokoll circuit
Temperatuur-spanningsomvormer in Dutch
Thermistor based PICmicro Digital Thermometer temperature sensing circuit
Thermistors in Single Supply Temperature Sensing Circuits This application note focuses on circuit solutions that use Negative Temperature Coefficient (NTC) thermistors in the design. The Thermistor has a non-linear resistance change-over temperature, pdf file
Thermal Fan Controller
Thermistor temperature transducer-to-ADC application This application uses an interchangeable negative temperature coefficient (NTC) thermistor device, pdf file
Thermocouple Amplifiers with Cold Junction Compensation The AD594/AD595 is a complete instrumentation amplifier and thermocouple cold junction compensator on a monolithic chip. It combines an ice point reference with a precalibrated amplifier to produce a high level (10 mV/°C) output directly from a thermocouple signal, pdf file
Thermometers for Brewers Sensing Temperature Electonically, Ready-Made Sensors, Homebrewed Thermometers, Display Options, Building a Probe, Diode Demo Circuit, Direct Reading Thermometer, Digital Panel Meters, ICL7106, Theory of Operation of Thermometer Circuit
Thermostat temperature regulator which use a thermistor, Schmitt-trigger circuit
Thermostat temperature regulator which use a thermistor for the temperature sensor circuit
Thermostat for furnace or electric heat
Thermostat en Français
Transformer votre voltmètre numériqe en thermomètre LM35C, en Français
Using Thermistors in Temperature Tracking Power Supplies pdf file
Web thermometer webthermometer + NetThermometer are a couple of utilities to measure the temperature remotely on the browser via HTTP or TCP/IP, measure the temperature on the web
WEB thermometer
Wireless thermostat LM35 3-pin temperature sensor circuit

Home | Site Map | Email: support[at]karadimov.info

Last updated on: 2011-01-15 | Copyright © 2011-2021 Educypedia.

https://educypedia.org

 

 

 

 
Powered by ITCom Solutions