Educypediathe educational encyclopedia
Electronics-theory
Analog
Audio - acoustics
Audio - electronics
Audio - loudspeakers
Components-active
Components-passive
Component - sensors
Digital - electronics
Digital - I2C - I2S
Digital - Programming
Electricity High Voltage
Electricity - machines
Electricity - theory
General overview
Miscellaneous
Optics
Power control systems
Power electronics
RF - antennas
RF - antenna - WLAN
RF - communication
RF - radio - tuning
Telephony
Tubes
TV-video-DVD
 
Utilities - tools
Animations & applets
Application notes
Cabling
Calculators
Circuits
Databank - tables
Datasheets
Measurement
Repair
Software - electronics
 
Local sitemap
Sitemap

  
 





Digital circuits  Related topics: Basic stamp circuits, PIC's
Digital circuits: 555
555 2-Tone Alarm
555 A/D converter
555 application note, NE555, NE556 circuit, pdf file
555 circuit astable 555 circuit, running lights, 4017
555 circuits
555 circuits 555/556 Monostable, 555/556 Bistable (flip-flop) - a memory circuit
555: generating -5 Volts from a 9 Volt battery
555 Light-Modulated Tone Generator Circuit
555 monostable
555 oscillator square wave oscillation circuit using the NE555
555 pulse width modulation 555 pulse width modulation, fan contol circuit
555: Switch Debounce Using 555 IC
555 timer 555 timer circuit
555 Timer Applications
555 Timer Circuit 555 monostable circuit, 555 timer in Astable Mode
555 timer circuits LM555 - Astable Oscillator Calculator + Capacitor Calculator, Basic Circuits For The LM555 Timer, Triggering And Timing Helpers For Monostable Timers, Controlling Circuits For LM555 Timers, Advanced Circuits For The LM555 Timer, LM556 Timers with Complimentary or Push-Pull Outputs, Interlocked Monostable Timers, Power-Up Reset For Monostable Timers, Cross Canceling For Monostable Timers, RS - Flip-Flop Made With A LM556 Timer, Using The LM555 As A Voltage Comparator Or Schmitt Trigger, LM555 With A 50% Duty Cycle (Adjustable), Bipolar LED Driver, Electronic Time Constant Control, Voltage Controlled Pulse Width Oscillator, ... ,555 monostable circuit, 555 timer in Astable Mode
555 Timer Circuit 555 monostable circuit, 555 timer in Astable Mode
555 timer page
555 timer projects 555 timer projects
555 tone generator
555 tone generator 555 tone generator, a basic 555 squarewave oscillator used to produce a 1 Khz tone from an 8 ohm speaker. In the circuit on the left, the speaker is isolated from the oscillator by the NPN medium power transistor which also provides more current than can be obtained directly from the 555, Educypedia
Bicycle back safety light Flashing 13 LED unit, 3V supply, 7555 or TS555CN CMos Timer IC
Bicycle back safety light 7555 circuit
Four hour timer 555, CD4040
LM555 - timer pdf file
LM555 and LM556 timer circuits
LM555 and LM556 timers: circuits and calculators general information and some useful tips for the LM555 timer, Flip Flop made with a LM556 timer, LM555 as astable oscillator calculator, LM555 - monostable oscillator calculator, ...
Monostable using 555 timing period is precise and equivalent to: 1.1 x R1 x C1
Morse code generator 555 circuit
Timing circuits 555 circuit
Digital circuits: miscellaneous
4511 BCD to 7-segment decoder BCD to 7-segment decoder circuit
5 minute watch dog timer 5 minute watch dog timer
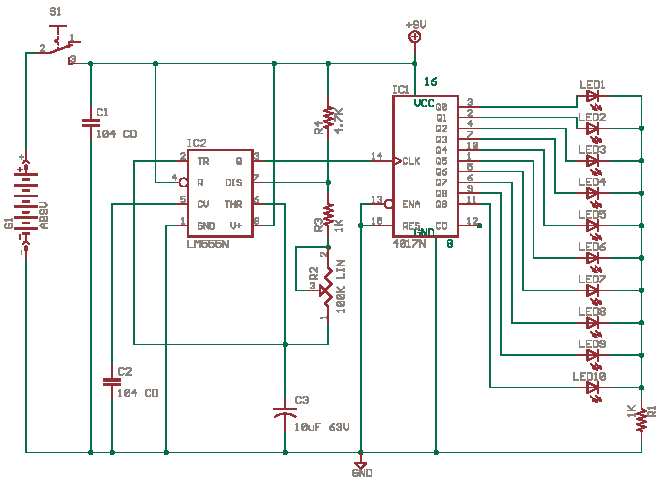
7 Segment LED Counter 7 Segment LED Counter
7-Segment Numeric Displays
Analog to digital conversion circuit ADC 0808 circuit
Analog-to-digital- and digital-to-analog converter for USB
BCD to 7-segment decoder
BCD to 7-segment decoder 4511 BCD to 7-segment decoder circuit
BCD to 7-segment latch/decoder/driver HEF4511B, pdf file
Binary to Decimal/7-Segment LED Circuit Schematic pdf file
Binary to Decimal Decoder The circuit uses a binary counter to count the pulses from a 555 IC and then uses a 4511 IC to decode and display the count on a 7 segment LED display, Binary to Decimal Decoder
Chronomètre à DEL (4017 + 4060) en Français
Compteur BCD (4510) en Français
Compteur décimal (4017) en Français
Count-down timer
Cmos Alarm Circuits
CMOS INVERTER PARALLEL LC OSCILLATOR
Crystal-Controlled Time-Base Generator a simple circuit for accurate time-base generation using the readily available 3.5795MHz crystal commonly used in telecommunication equipment. The 3.5795MHz crystal is used in conjunction with a CD4060-based crystal oscillator- cum-divider, pdf file
D Flip-flot one-shot circuits pdf file
Digital Counters CMOS 4518, 4511
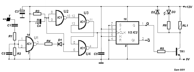
Direction-Sensitive Light Barrier The light barrier is based on a flip-flop made from the four NAND gates of a 4093 IC, each of which has two Schmitt-trigger inputs. pdf file
Door knob alarm 4013B, pdf file
DTMF generator/decoder this tutorial provides a basic generator and decoder that you can build your applications upon, Educypedia
Electronic touch switch this touch switch is a so-called hum-induced type, the advantage of this type is that you need only a single contact
HD44780-based character-LCD
Level crossing model railway application
Lotto selector
Missing pulse detector pdf file
Model railroad circuit ideas a tip
One-shot and latch circuit using CD4013 pdf file
Person counter, PDF file The integrated circuit is a 4516 up/down counter
Récepteur DTMF pour commande de relais a distance en Français
Set/Reset Flip Flop Set/Reset Flip Flop with transistors
Sonic locating finder
SQUARE WAVE OSCILLATOR
Square wave oscillator square wave oscillator circuit
Square wave oscillator
Switch de-bouncing
Timed beeper
Time Switch What you need is a simple analogue electronic clock with alarm facility and a small circuit to implement the time switch, pdf file
Timing circuits Basic 555 Monostable, 5 to 30 Minute Timer, Periodic Timer, Asymmetric Timer, 24 Hour Timer, Pulse Generator, 24 Second Shot Clock, Repeating Interval Timer, Repeating Interval Timer 2, 1 hour Timer, Sequential Timer
TTL to RS-232 interface using a MAXIM RS-232 transceiver IC
Universele sirene in Dutch
Up Down detection circuit 2 D-type flip-flops (7474) are used for the judgement, Up Down detection circuit

Home | Site Map | Email: support[at]karadimov.info

Last updated on: 2011-01-15 | Copyright © 2011-2021 Educypedia.

https://educypedia.org

 

 

 

 
Powered by ITCom Solutions